Authenticity in Music Production
Historic Music Technology and Reconfigurable Computing
In der heutigen Zeit veralten Hard- und Software sehr schnell. Aus verschiedensten Gründen können Geräte und Programme nicht mehr repariert oder benutzt werden: Firmen liefern keine Treiber mehr für eigentlich noch funktionierende Hardware. Elektronische Komponenten, ob digital oder analog, sind irgendwann unbrauchbar. Passende Ersatzteile werden nicht mehr gebaut.
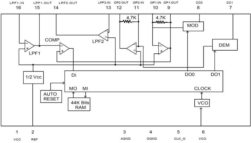
Das Projekt "Authenticity in Music Production - Historic Music Technology and Reconfigurable Computing" zielt darauf ab, aktuelle Strategien zur Erhaltung von Hardware im Bereich von Medienkunst und Musik zu untersuchen und voranzutreiben. Verschiedene Methoden der Hardware Emulation werden getestet und verglichen. Dies wird am Beispiel eines sehr beliebten Effekt Prozessors geschehen: Dem PT2399 Delay Circuit von Princetown.
Seit Beginn der Kommerzialisierung der Digitaltechnik in den 1970er Jahren entstanden zunehmend Kunstwerke, Musik- und Videoproduktionen, deren zentraler Bestandteil die Nutzung eines oder mehrerer technischer Geräte ist. Ob es sich um eine Musikproduktion handelt, deren ikonischer Charakter durch den Einsatz eines analogen Gerätes gekennzeichnet ist, oder um softwarebasierte Medienkunst: Künstler und Produzenten nutzen in der Regel die zum Zeitpunkt der Entstehung leicht zugängliche und verfügbare Technologie. Dabei kommt Technik zum Einsatz, die gerade aufgrund von Non-Linearitäten analoger Schaltungen einzigartig klingt. Existiert die genutzte Technik zu einem späteren Zeitpunkt nicht mehr, kann das Original nicht mehr reproduziert werden. Der Versuch, die nicht mehr existente Technik mittels Software authentisch zu emulieren, scheitert oft am non-linearen Verhalten der Schaltungen.
Mit Hilfe speziell programmierbarer Prozessoren, sogenannter Field Programmable Gate Arrays (FPGAs) ist es möglich, CMOS Technologie nicht als Software zu emulieren, sondern diese tatsächlich mittels Hardware Description Languages nachzubilden, ohne die Original-Schaltung aufbauen zu müssen.
Im Rahmen des Projekts werden verschiedene Ansätze zur Nachbildung von PT2399 realisiert:
- Eine FPGA Version des PT2399 in der Sprache VHDL (Hardware Emulation)
- Eine faltungsbasierte Software-Version
- Eine algorithmische Software-Version
Im Rahmen von Hörversuchen werden der Original PT2399 Delay Circuit und die drei verschiedenen Emulationen miteinander verglichen. Von besonderem Interesse ist hierbei die Frage, ob die FPGA-Version vom Original unterschieden werden kann.

